星力XL80B变速箱运用在履带式拖拉机中的成功案例。
参考价: 34500.00- 35000.00RMB
价格说明
了解贷款
XL-80B履带拖拉机专用变速箱总成 变速箱案例运
用 价格仅供参考
主要技术规格:
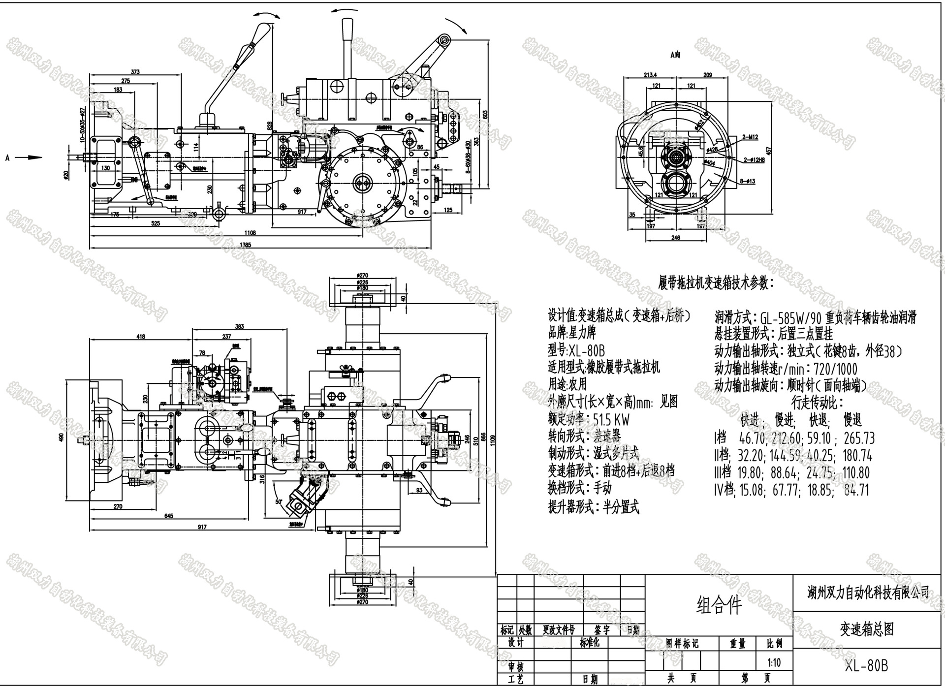
额定功率:51.5 KW
转向形式:差速器
制动形式:湿式多片式
变速箱形式:前进8档+后退8档
换档形式:手动
润滑方式:68#抗磨液压油
提升器形式:半分置式
悬挂装置形式:后置三点置挂
动力输出轴形式:独立式(花键8齿,外径38)
行走传动比:
快进 | 慢进 | 快退 | 慢退 | |
I档 | 46.70 | 212.60 | 59.10 | 265.73 |
II档 | 32.20 | 144.59 | 40.25 | 180.74 |
III档 | 19.80 | 88.64 | 24.75 | 110.80 |
IV档 | 15.08 | 67.77 | 18.85 | 84.71 |
图片展示:

80B结构安装图:


企业简介:
湖州双力自动化科技装备有限公司是在原国家二级企业湖州电动滚筒有限公司组建的中港合资企业,是国家重机协会理事单位,注册资金500万美元,成立于2004年.“追求一流品质,维护客户利益”是我们的一贯宗旨!


查看全部询价
暂无此评论
星力XL80B橡胶履带拖拉机变速箱总成 成功案例
我对星力XL80B橡胶履带拖拉机变速箱总成 成功案例感兴趣,请让厂家联系我
再看看 确认